带通滤波器丨九游会·产品服务,成都九游会电子有限公司九游会·产品展示|滤波器厂家
九游会
九游会
 
 
九游会·产品与服务-滤波器

带通滤波器

发布:九游会电子    发布日期: 2017-06-03

技术参数

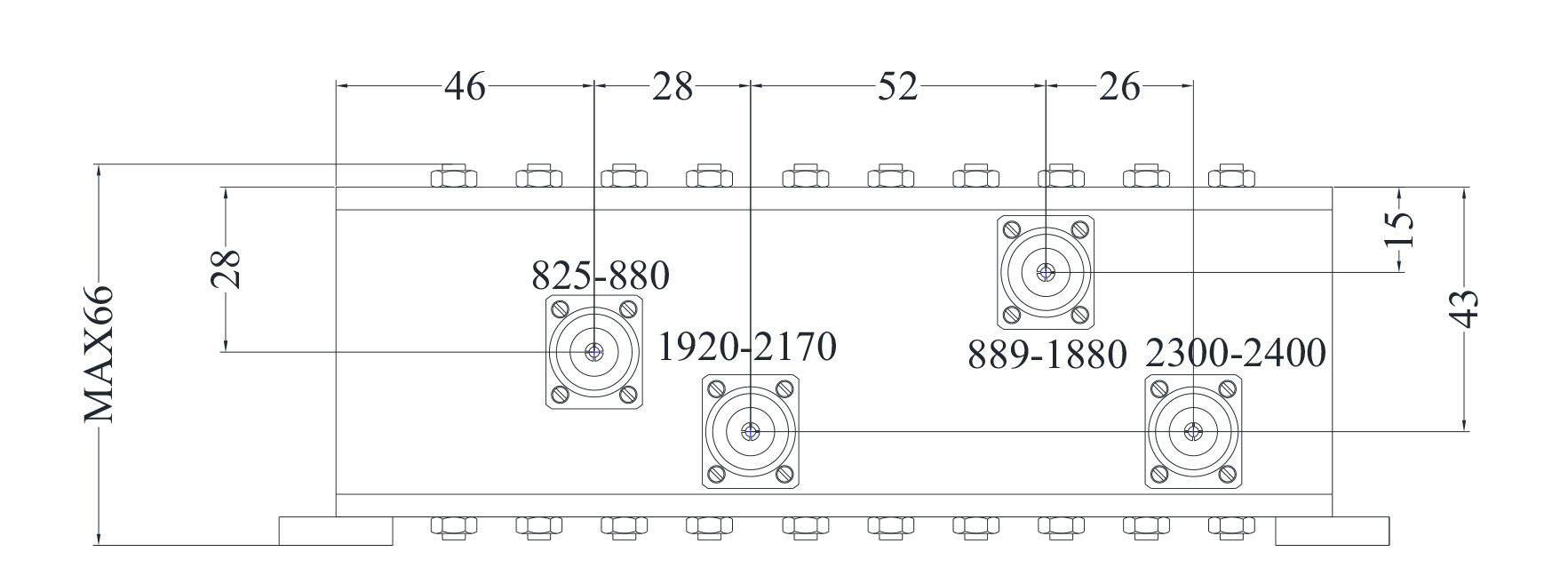
外形结构图

技术参数

外形结构图

滤波器订购须知

1、请用户参阅本手册,订购务必提出以下基本参数:
a、通带的频率范围
b、阻带的频率范围
c、插入损耗
d、阻带抑制度
e、驻波比
f、带内波动
g、接口形式

2、其它参数:
时延、相位、功率容量、体积、重量及振动、冲击、高低温及湿热等试验,不提及默认为不要求。


分享到:
上一篇:腔体滤波器
下一篇:腔体带通滤波器
返回列表
版权所有:成都九游会电子有限公司 分享到: